A Mercedes Actros Vezérlő Elektronikájának Működése és a Kormánymű Hibái

A modern tehergépjárművek, mint a Mercedes Actros, komplex vezérlő elektronikával vannak felszerelve, amelyek elengedhetetlenek a jármű biztonságos és hatékony működéséhez. Ebben a cikkben áttekintjük a kormányművekkel kapcsolatos gyakori problémákat, azok okait és a lehetséges javítási módokat. Emellett foglalkozunk a tehergépjárművek fékrendszereivel és a blokkolásgátló rendszerek (ABS) működésével is.

A KORMÁNYKERÉK KEMÉNYSÉGÉNEK OKA Kormányhenger Javítási Útmutató Mercedes Actros

Gyakori Kormánymű Hibák és Javításuk

A kormánymű meghibásodásai sokféle formában jelentkezhetnek, melyek befolyásolják a jármű irányíthatóságát és biztonságát. Fontos a korai felismerés és a szakszerű javítás, hogy elkerüljük a komolyabb problémákat és a költségesebb javításokat.

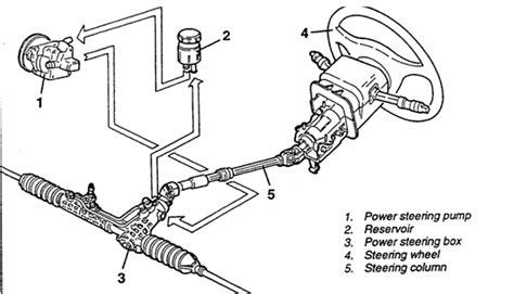
Kormánymű szerkezete

1. Kormánymű Lógása vagy Kopogása

A leggyakoribb kormánymű hiba, mikor lóg vagy kopog a kormánymű. Ez az alkatrész köti össze a csonkállványt és az alsó lengőkart. Feladata az alkatrészek összekapcsolásán kívül még az, hogy a csonkállvány szabadon elfordulhasson úgy, hogy az összeköttetés nem szakad meg. Ha az alkatrész kikopik, akkor lógni kezd és ez okozhat kopogó hangot. A gömbfej sajnos nem javítható, és itt csak a csere lehet a megoldás. Ha netalán ez okozza a kormánymű kopogását.

2. Kormánymű Folyása

Szintén a leggyakoribb kormánymű hibajelenség, mikor a kormánymű folyik. Ha a kormánymű folyik, a legkörültekintőbben kell eljárni. Sokan azt hiszik, hogy a folyást a szimering elhasználódása okozza, ami csak az esetek kis részében igaz. A fontos kérdés az, hogy a szimering miért ment tönkre? Mert a folyás csak a tünet. Az ok több dolog is lehet. A kormánymű porvédő harangjai alatt a tömítések minden kormánymozdulatnál a fémen csúsznak. Legtöbbször víz és por jut be ide, ami a tükörsima fémfelületet berozsdásítja. Ez a felület durva és karcos lesz. Ez elkoptatja a tömítéseket és kormánymű folyást okoz. A megoldás a felület megköszörülése / polírozása, majd a tömítések cseréje.

3. Holtjáték a Kormányban

Kormánymű hiba, amikor menet közben, egyenes úton érezhető holtjátéka van a kormánynak. Tehát amikor elmozdítjuk a volánt, az autó orra csak pici késéssel követi le a mozdulatunkat. Ez a kormánymű hiba utalhat arra hogy kopott kormánymű, utalhat arra hogy lógó csapágyak vannak, de sokszor a kormányösszekötő gömbcsuklóinak a hibája a valódi ok. De egészen egyszerűen lehet hogy csak a gumik nyomása nem optimális.

Mercedes 200D differenciálmű hibaelhárítás

4. Kormány Ugrálása

Másik kormánymű hiba, ha (főleg) alapjáraton, leginkább gyors tekerésnél ugrál a kezünk között a kormány. Lehet hogy néha megszorul, néha megindul. Ebben az esetben nem biztos hogy a kormánymű hibás, lehet, hogy csak a csúszó ékszíj miatt van ez a jelenség, de ez utalhat a szervoszivattyú vagy a csőrendszerre is.

5. Egyéb Kormánymű Hibák

  • Villanyszervós autók: Alap esetben 60-80 km/h között kisebb rásegítést ad szervórendszer a kormányra.
  • Morgó kormány: Ez a hiba arra utal, hogy kontakthibás a szögnyomaték-érzékelő, és - mint a rádiónál a sercegő potméter - nagy elektromos csúcsokat lök a kormányszervó felé. De olyan is előfordul a potenciométer hibája miatt, hogy egyik irányba könnyebb tekerni a kormányt, mint a másikba.
  • Elektronika letiltása: Iszonyú nehéz lesz a kormány és figyelmeztető lámpa gyullad ki a műszerfalon.
  • Beránt a kormány: Ilyen normális kopás, fáradás miatt nem fordulhat elő. Ami a nagy szerencse hogy ez a kormánymű hiba leginkább lassú menetben, még inkább szinte álló helyzetben jön elő.
  • Szoros kormányzás: Nem tér vissza középre kanyar után a kormány. És nem feltétlen kell itt a régi tragacsokra gondolni.
  • Kattogás, recsegés: Hallhatóak / érezhetőek a kormány tekerésekor.

Mit tegyünk szervókormány javítás előtt?

Fontos, hogy körültekintően járjunk el, mielőtt belekezdünk a szervókormány javításába. Néhány kérdés, amit érdemes feltenni a felújító cégnek:

  • Valóban kicserélik az ÖSSZES tömítést?
  • A gyárival megegyező alkatrészeket használ?
  • A számla kérdése: Ha Ön kap számlát, a garanciát biztosan fogja tudni érvényesíteni.
  • Porvédő Gumiharang: Egy korrekt cég biztosít teljesen új porvédő gumiharangot a felújítás mellé.
  • Tényleg MINDEN tömítés ki lesz cserélve?
  • Milyen alkatrészek kerülnek be a felújítás során?
  • Az feltüntet ár számlás ár?
  • Az ár ugye tartalmazza az új porvédő gumiharangokat is?

További Kormánymű Hibák és Javításuk

Az alábbi táblázat összefoglalja a további gyakori kormánymű hibákat, azok okait és a javítási módokat:

Kormánymű hiba A hiba oka Így lehet a hibát javítani
Túl nagy a kormány holtjátéka A kormány holtjátéka (fogaskerék-fogasléc) nincs beállítva. A fogasléc fogaskerék kopott. Az összekötőrúd gömbfejei kiverődtek. A fogaslécet és a fogaskereket kicseréljük. Az összekötőrudat, ill.
A kormány nehezen mozgatható A fogaskerék és a fogasléc közötti holtjátékot túl kicsire állították. A kormányművet helyesen beállítjuk.
A kormány berezeg Az első kerekek kiegyensúlyozatlanok, a gumiabroncsok sérültek, nem megfelelő kerékösszetartás. Az első kerekeket ki kell egyensúlyozni, vagy a gumikat kicserélni. Vagy a kerék összetartást kell beállítani.
Az autó valamelyik irányba félre húz A gumiabroncsokban a levegőnyomás nagysága eltérő. Az elsőkerék abroncsok kopottsága különböző. A kerékösszetartás nagysága nem megfelelő. Az első rugó eltörött. Az első kerekek dőlése különböző értékű. Valamennyi gumiabroncsot az előírt levegőnyomás-értékre hozzuk. A gumiabroncsokat, vagy a kerekeket felcseréljük. A kerékösszetartást beállítjuk. Az első rugót kicseréljük. A kerékdőlést kiigazítjuk, az első rugó helyzetét ellenőrizzük, a magcsavart megvizsgáljuk.

Szervórendszer Hibái

A szervórendszer hibái különböző tünetekkel jelentkezhetnek, melyek befolyásolják a kormányzás könnyedségét és a jármű irányíthatóságát. Fontos a rendszeres ellenőrzés és a problémák korai kezelése.

Szervoolaj tartály

Gyenge vagy Megszűnt Szervóhatás

  • Megfelelő olajszint esetén az elégtelen, gyenge szervohatás legtöbbször a szervoszivattyú kopásából adódik.
  • Amennyiben a szervoszivattyút meghajtó ékszíj kopott, illetve laza, ebben az állásban megcsúszik. Ez a szervoszivattyút hajtó ékszij, vagy az ékszijfeszítõ görgő cseréjével megoldható.
  • Egyéb esetekben a szervoszivattyú javítása indokolt. Ennek meghibásodásakor az ékszíj meg-megcsúszik, illetve csattoghat.

Zajos Szervórendszer

  • A zajt kiválthatja motorfordulat emelése, végálláshoz közeli kormánykerék állás, vagy már a legkisebb kormánykerék elfordítása is.
  • Amennyiben a zaj kormánymozdulattal egyidejűleg hallható, illetve erősödik, többnyire a szervorendszer hibájára utal.
  • Az olaj a zárt rendszerbõl valahol elszivárog (szervokormánymû porvédőharangban) és a szervotartályban olyan mértékben csökken az olajszint, hogy a szervoszivattyú már csak levegőt szív a tartályból.
  • Szervoolaj, vagy automata váltoolaj (Dextron II-III. újabb gépjárművek esetében típusfüggő) utántöltésével a zaj megszűnik és - ha a szervoszivattyú nem károsodott a szárazon futástól - a szervohatás újra kialakul.

Gyenge Szervóhatás Alapjáraton

  • Gyenge, illetve elégtelen szervohatás látható hibaforrása lehet az elszakadt ékszíj.
  • Megfelelõ olajszint esetén az elégtelen, gyenge szervohatás azonban legtöbbször a szervoszivattyú kopásából adódik.

Szervóhatás Csak Egyik Irányban

  • Mind a kormánymû öntvényház, mind a vezérlõ tengely gyűrűinek kopása okozhatja az alábbi hibákat: szervohatás csak az egyik irányban alakul ki, szervohatás túl könnyû, kormánymozdulat nélküli aláfordulás, kormánykerék nyugalmi állapoban ide-oda mozgása.
  • A kormánymû javítását, illetve cseréjét igényli. Ennek meghibásodásakor a fent ismert hibajelenségek jelentkezhetnek.

Hiányzó Szervóolaj a Tartályból

  • A hiba többnyire a szervorendszer tömítetlenségére utal.
  • Az olaj a zárt rendszerbõl valahol elszivárog (szervokormánymű porvédőharangban) és a szervotartályban olyan mértékben csökken az olajszint, hogy a szervoszivattyú már csak levegõt szív a tartályból.
  • Szervoolaj, vagy automata váltoolaj (Dextron II-III.) utántöltésével a zaj megszűnik és - ha a szervoszivattyú nem károsodott a szárazon futástól - a szervohatás újra kialakul.

Habos Olaj a Szervótartályban és Zajos Rendszer

  • Megfelelő olajszint esetén az elégtelen, gyenge szervohatás legtöbbször a szervoszivattyú kopásából adódik.

Kormánymű Kopogása Leállított Motornál

  • Szervós és mechanikus kormányművek esetében egyaránt gyakori hiba - sajnos egyre fiatalabb autókon is - a fogasléc középső részének, orsótengelyének és támasztó perselyének nagymérvű kopása.
  • A fogasléces kormányművek esetében a porvédő gumiharangok sérülése szintén megrövidíti a csúszó, gördülő alkatrészek élettartamát.

Kormánymű Megszorulása Kormányzáskor

  • Általában hirtelen kormánymozdulatnál észlelhető, hogy hirtelen irányváltáskor “megugrik” a kormány.
  • Ez általában a kormánymű javítását, illetve cseréjét jelenti.

Szervókormánymű Aláfordulása

  • Mind a kormánymű öntvényház, mind a vezérlő tengely gyûrûinek kopása okozhatja az alábbi hibákat: szervohatás csak az egyik irányban alakul ki, szervohatás túl könnyű, kormánymozdulat nélküli aláfordulás, kormánykerék nyugalmi állapotban ide-oda mozgása.
  • A kormánymű javítását, illetve cseréjét igényli.

Kormánymű Középső Állásban Mozog

  • Mind a kormánymû öntvényház, mind a vezérlő tengely gyűrűinek kopása okozhatja az alábbi hibákat: szervohatás csak az egyik irányban alakul ki, szervohatás túl könnyű, kormánymozdulat nélküli aláfordulás, kormánykerék nyugalmi állapotban ide-oda mozgása.
  • A kormánymű javítását, illetve cseréjét igényli.

Légfék Rendszerek

A különböző haszonjárművek, vagyis autóbuszok (M kategória), teherautók (N kategória) és pótkocsik (O kategória) sűrített levegővel működtetett fékrendszeréről van szó. Ezeknek a járműveknek a hatékony fékezését nagy tömegük miatt sűrített levegővel lehet megvalósítani. Ezt követelik meg a nemzetközi előírások is. Fékezés közben a vezető egyik kezével sem engedheti el a kormányt, ezért az üzemi féket pedállal működteti. Az összgördülő tömeg függvényében kötelező a tartós lassító fék, illetve a blokkolásgátló alkalmazása is.

Háttérképek Mercedes E220-hoz

Légfékrendszer

A Légfékrendszerek Üzemi Nyomása

A légfék rendszerek üzemi nyomása az elmúlt évtizedekben fokozatosan növekedett a kezdeti 5,6 bar-ról 7,35 bar, 8,2 bar, 10 bar, 12,5 bar-ra. Ezt tette szükségessé a gépjármű szerelvények tömege, és a gazdaságosabb energia ellátás lehetősége.

Sűrített Levegő Rásegítős Hidraulikus Fékrendszer

A könnyű és a középnehéz haszonjárműveknél gyakran alkalmaznak sűrített levegő rásegítős hidraulikus fékrendszert. A sűrített levegő energiája a pedálerőhöz a rásegítést biztosítja. A hidraulikus fék alkalmazása pedig a kis késedelmi idő miatt előnyös.

A Kompresszor Szerepe a Sűrített Levegő Ellátásban

A haszonjárművek sűrített levegő ellátását a kompresszor végzi. Leggyakrabban a dugattyús kompresszorokat alkalmazzák, de találkozhatunk a különböző járművekben támolygó tárcsás és csavarkompresszorokkal is. A korszerű haszonjárműveknél, ahol nagyobb a sűrített levegő igény, nagyobb teljesítményű kompresszort alkalmaznak. Ezeket már fogaskerék hajtással látják el. Ezek rögzítése a motorblokkhoz egy csatlakozó perem segítségével történik.

Blokkolásgátló Rendszerek (ABS)

Intenzív, pánikszerű fékezéskor a gépkocsi kerekei blokkolhatnak, mert a gumiabroncs és az útfelület között a tapadást a csúszó súrlódás váltja fel. Azért szerelik be a blokkolásgátlót a gépkocsiba, hogy megőrizhető legyen a menetstabilitás és a kormányozhatóság fékezés közben.

Blokkolásgátló rendszer

Az ABS Működése

A blokkolásgátló az érzékelőkkel folyamatosan figyeli a kerekek fordulatszámát. Ezen jelek feldolgozása alapján szabályozza a kivezérelt fékező nyomásokat. Az ABS elektronika az érzékelők jelei alapján kiszámítja a kerekek sebességét, azok gyorsulását. Egy algoritmussal meghatározza az úgynevezett referenciasebességet, mely durva közelítéssel átlagsebességnek is tekinthető. Ehhez hasonlítja az egyes kerekek pillanatnyi sebességét. Ezt egészíti ki a kerék kerületi lassulásának meghatározása és kiértékelése. Így tudja felismerni a szabályzó algoritmus egy, vagy több kerék blokkolás közeli állapotát.

Chiptuning a Mercedes E 270 CDI-hez

ABS Szabályozási Filozófiák

A fejlesztések során különböző ABS szabályozási filozófiákat fejlesztettek ki. Ezek fékezés közben alapvetően meghatározzák a gépkocsi menetdinamikáját. Befolyásolják a gépkocsira ható perdítő nyomatékot és a fékút hosszát. Haszonjárműveknél ezt többnyire a hátsó kerekeknél szokták alkalmazni.

Terep Fokozat az ABS-nél

Ezt a működésmódot a gépkocsivezető a műszerfalon elhelyezett kapcsolóval aktiválhatja, ha a gépkocsi sebessége kisebb 40 km/h-nál és nem szilárd burkolatú úton halad járművével. A terep fokozat nagyobb kerékcsúszást engedélyez, mint az országúti.

Kipörgésgátló (ASR)

A nyitott féklámpa kapcsolónál az ABS/ASR elektronika ASR szabályozást végez, vagyis kipörgésgátlóként működik. A kerékfordulatszám érzékelők jelei alapján végzi az elektronika a különböző beavatkozásokat.

Fékasszisztens

A személygépkocsikhoz hasonlóan a korszerű haszonjárműveket is ellátják fékasszisztenssel. Ez pánikszerű fékezésnél városi közlekedésnél (50 km/h sebességnél) kb. 2,5 - 3 m -el rövidíti a fékutat. Az elektronika érzékelő segítségével méri a fékpedál lenyomásának a sebességét.

Xenon Világítás

Az autóvilágítás történetében a xenon trafók forradalmasították a lámparendszerek működését. Ezek a komponensek kulcsszerepet játszanak az elektromos energia átalakításában, amely szükséges a xenon lámpák működéséhez. A minőségi xenon trafók és az intelligens vezérlő elektronika révén a sofőrök mindig élvezhetik a biztonságos és hatékony világítást, és ezáltal hozzájárulnak az autózás kényelméhez és a közúti biztonsághoz.

tags: #mercedes #actros #vezérlő #elektronika #működése