Skoda Octavia (2012) Központi Zár Vezérlő Bekötése és Gyakori Problémái

A Skoda Octavia (2012) egy középkategóriás gépkocsi, melyet a cseh autógyártó, Skoda Auto gyártott. Az Octavia a márka egyik legnépszerűbb modellje, melynek kialakításában a praktikusság és a gazdaságosság került előtérbe. A Skoda Octavia (2012) megbízható és időtálló autó. Az alapmodellben található motorok között benzin és dízel erőforrások egyaránt megtalálhatóak. Az Octavia (2012) belső tere tágas és kényelmes. Az autóban sok hely található az utasok és a csomagok számára. Az Octavia (2012) biztonsági szempontból is magas elvárásoknak felel meg.

A korszerű gépkocsik igazából mini számítógépek. Minden olyan mértékben elektronikus és számítógépesített, hogy a motorház felnyitásával nem sok meghibásodásra tudunk rálelni. Másik oldalról az elektronikussá váló autók kezelése kényelmesebbé, egyszerűbbé válik. A számos, az emberek életét megkönnyítő újítás közül mindenképp érdemes kiemelni a központi zárat.

A központi zár minden sofőr életét megkönnyíti, hiszen mennyivel egyszerűbb az autó felé közeledve megnyomni egy gombot a távirányítón, aztán csak felnyitni a csomagtartót és bepakolni a megvásárolt árut, vagy rögtön beülni, különösen télen.

A központi zárak jellemzően univerzálisan működnek, vagyis a távirányító gombjának a megnyomásával az autó minden ajtaja kinyílik. A működésének a lényege, hogy magában a távirányítóban, amely elemmel működik, van egy vezérlő modul és ez az, ami felelős a zár működéséért.

Skoda Octavia központi zár rendszer

Gyakori Problémák és Megoldások

Előfordulhat, hogy a központi zár nem működik megfelelően. A következőkben bemutatjuk a leggyakoribb problémákat és azok lehetséges okait, valamint megoldásait.

Fabia alacsony alapjárat okai

1. Távirányítóval Kapcsolatos Problémák

A legalapvetőbb meghibásodási ok az lehet, hogy a távirányítóban lévő elem meghibásodik. Erről a legkönnyebben úgy tudunk meggyőződni, ha látjuk, hogy az eszközön lévő piros gomb nem világít, hogy a távirányító nem reagál a gombnyomásra. Ilyenkor mindössze annyi a teendő, hogy elemet cserélünk.

2. Akkumulátor Problémák

Amikor reggel a sofőr kimegy a garázsba, megnyomja a távirányítót és nem történik semmi, az egyik dolog, amit érdemes ellenőrizni, az az autó akkumulátora. Megtörténhet ugyanis, hogy az már elöregedett, lemerült, a hideg miatt nem működik megfelelően.

3. Mechanikai Hibák

Ha nem a fenti két dolog áll a meghibásodás mögött, akkor gyakran mechanikai, vagyis a használatból adódó problémáról van szó. Ha a sofőr azt tapasztalja, hogy a gombnyomásra nem nyílik az összes ajtó, a hiba kétféle lehet.

A leggyakoribb a központi zár ajtóban lévő motorja leég, vagy az elektronikája, ami egybe van a motorral tönkremegy. Néha előfordul az ajtóban lévő kábelátvezetésnél megsérül a kábelezés.

Az öröm az ürömben, hogy mivel csak 1 ajtó nem nyílik, nem záródtál ki a saját járművedből - bár tény, hogy ha pont a vezetőoldali ajtó adta meg magát, tud kellemetlenséggel járni.

Skoda Superb II áttekintés

4. Egyéb Lehetséges Okok

  • Hibakódok: Érdemes ellenőrizni, hogy a gépjármű nem generál-e hibakódot, ami segíthet a probléma beazonosításában.
  • Főtengely nullponti jeladó: Hibája hasonló tüneteket okozhat.
  • Vezérműtengely jeladó: Ennek hibája is okozhat problémákat.
  • Gyújtáselosztó: A gyújtáselosztóban lévő hallos főtengely szöghelyzet jeladó érzékeny lehet a kontaktusra és a kopásra.
  • Ajtóátvezető kábelek: Az elszakadt vagy sérült vezetékek problémákat okozhatnak.
  • Korrózió: Az ajtóba bejutó víz korróziót okozhat az elektromos csatlakozásokban.
  • Mikrokapcsolók: Az ajtózárnál lévő mikrokapcsolók meghibásodása is okozhat problémákat.

SKODA FABIA Drivers Door Lock RHD (Mk1 99-07)

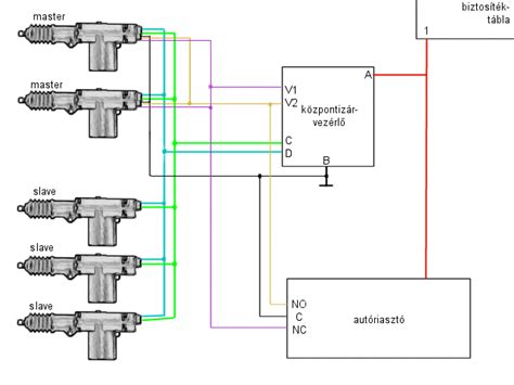
Utólagos Központi Zár Beszerelése

Ha az autó gyárilag nem rendelkezik távirányítós központi zárral, lehetőség van utólagosan beszerelni egy vezérlőt. Ehhez a következőket érdemes figyelembe venni:

  • A vezérlő típusa: Univerzális vezérlők állnak rendelkezésre, amelyek szinte bármilyen autóba beszerelhetők.
  • Bekötés: A bekötés során figyelni kell a megfelelő vezetékek csatlakoztatására. Gyárilag csak sima kulcsos központija van. Tanulmányozva a kapcsoláaibrajzát láttom, hogy canbusos. Szóval az ajtó átvezető kábelnél nem lehet megoldani a bekötést.
  • Motorok: Ha az ajtókban nincsenek motorok, azokat is be kell szerelni.

Kapcsolási Rajzok és Segítség

Ha elektromos ablakemelőhöz keresel kapcsolási rajzot, érdemes az interneten kutatni vagy szakember segítségét kérni.

Egy Skoda Octavia tourba szeretnék távírányítós központi zár vezérlőt beszerelni. A vezérlő egyszerü két rellés 6 kivezetéses kütyü. Tanulmányozva a kapcsoláaibrajzát láttom, hogy canbusos. Szóval az ajtó átvezető kábelnél nem lehet megoldani a bekötést. Szerintetek hogyan tudnám megoldani?

Skoda Octavia utólagos központi zár vezérlő bekötése

További Funkciók és Beállítások

Az autóban több vezérlõegység található, amik konfigurációs beállításokkal vannak ellátva, mivel az autókat több különbözõ piacra szánják és a felszereltségek is különbözõek lehetnek. A vezérlõegység kódolás segítségével olyan plusz funkciókat lehet aktiválni, amiért a szalonban feláras extrát számolnak fel. Vannak olyan funkciók is, amik ugyan már benne vannak az autóban, de jobb volna ha máshogyan mûködne. Végezetül pedig vannak olyan funkciók is, ami jobb lenne, ha nem is mûködne.

Néhány példa a konfigurálható funkciókra:

Skoda Felicia hibaelhárítás

Funkció Leírás Megjegyzés
XDS Sport mode Kanyarban a belsõ íven lévõ kerék tapadást veszít és könnyebben elpörög. A nyomatékát a fékrendszer korlátozza és átkerül a külsõ íven futó, nagyobb tapadású kerékre. Minden típusban közepes szinten aktiválva van. Ezt lehet erõsebbre állítani.
Visszagurulás gátló (HHC) Egy bizonyos emelkedõ százalék felett elindulásnál befékezve tartja a kerekeket, így nem fogunk hátra gurulni és nem kell a kézifékkel bajlódni. Olyan autókon is aktiválható, amiben hagyományos kézifék van. Minden típusban aktiválható.
ESC Sport mode Az ESC rendszert sport módba tudjuk kapcsolni.
Ülésfûtés fokozat megjegyzése Az ülésfûtés (és szellõztetés) fokozat utolsó állapota marad meg gyújtás levétel és ráadása után. Lehetõség van az utas oldalon is erre a memória funkcióra. Minden típusban aktiválható.
Klíma fokozat kijelzés AUTO módban Ennek a funkciónak a segítségével láthatjuk a klíma LED-eken, hogy automata módban milyen fokozatban pörögnek a ventilátorok. Minden típusban aktiválható.
Klíma tuning Ezzel a beállítással a klíma hamarabb lehûti az autót, mint gyári beállítás mellett. A klíma kompresszort jobban igénybe is veszi. Minden típusban aktiválható.
Mindkét hátsó ködlámpa A ködlámpa alapértelmezetten csak a bal oldalon világít. A gyártó készít jobb kormányos autókat is, ahol az alapértelmezett ködlámpa a jobb oldalon van. Mivel a lámpatest ugyan az, így könnyen aktiválni lehet egyszerre mindkét oldalt.
Komfort index Komfort index villanásának a számát lehet változtatni. Alapértelmezetten 3-at villan. Vezetési stílustól függõen ez néha kevés vagy éppen túl sok. Minden típusban aktiválható.
Maradékvíz törlés A szélvédõ mosása után a menetszél tud még vizet hordani az ablakra. Legtöbb típusban aktiválható.
Hátsó DRL Ha ez a funkció aktiválva van, akkor hátulról is jól láthatóak maradunk rosszabb idõjárási körülmények között, miközben az elsõ DRL lámpák aktívak. Minden típusban aktiválható.

Ezek a funkciók mind a vezetési élményt és a biztonságot növelhetik.

Reméljük, hogy ez a cikk segített a Skoda Octavia (2012) központi zár rendszerének megértésében és a felmerülő problémák megoldásában.

tags: #skoda #octavia #központi #zár #vezérlő #bekötése