Piaggio Liberty 125 Kuplung Robbantott Ábra: Minden, Amit Tudnod Kell

Robogó vásárlás, tuningolás előtt nem árt tisztában lenni azzal, hogy mit is rejt a moped belseje. Ki gyártotta, mennyire bevált konstrukció, van-e hozzá tuning alkatrész, jól tuningolható-e? Tuningolható egyáltalán?

Az egyik legrégebben és legtöbbet használt, jól bevált konstrukció a Piaggio / Gilera mellett.

Ha jó minőségben legyártott Minarelli motoros robogót vásárolunk, biztosak lehetünk benne, hogy megbízható társunk lesz. Meg kell még említeni a távolkelet gyöngyszemeit is, sokan használják ugyanis a Minarelli blokk utánzatát. Sajnos nem mindig megfelelő minőségben kerülnek az utánzatok gyártásra, de szerencsére akadnak jó példák is.

Fontos megkülönböztetni, hogy az adott robogó valóban Minarelli motoros, vagy csak másolat.

Sokan kérdezik, honnan lehet megtudni egy motor évjáratát. Például, ha most vettél egy 2T 50-es motort, az ülés alján levő évjárat (például 97) mérvadó lehet.

Méretek: Piaggio NRG MC3 ékszíj, féktárcsa

Piaggio Liberty 125 Alkatrészek és Blokk Információk

Érdemes tudni, hogy a Piaggio Liberty blokkok között vannak leaderes és Rotax típusúak. A Rotax az első szériás Libertyken volt.

Most lett bontva egy 125 4T Rotax blokk (járóképes) elemeire. Ha alkatrészekre van szükséged, érdemes megnézni, milyen elemek állnak rendelkezésre.

Elektromos Alkatrészek

Ha egy blokkot szeretnél beépíteni egy idegen vázba, fontos tudni, hogy milyen elektromos alkatrészekre van szükség a motorblokkon kívül a vázon, hogy működjön a Piaggio Liberty 50 cc.

Vagy leírás kéne hogy milyen elektromos alkatrészekre van szükség a motor blokkon kívül a vázon, hogy működjön a Piaggio Liberty 50 cc.

Vettem egy 4 T Piaggio Liberty Blokkot ami elvileg jó is ! Bele szeretném építeni egy Idegen robogó vázába, ez sikerült csak már annyi hiányzik hogy be indítsam , DE NINCS TRAFÓM , feszültség szabályzóm és semmi elektromos alkatrészem hozzá! Meg nem vagyok vele tisztában hogy milyen külső elektromos alkatrészeket kel beszereznem Mert csak a blokk van semmi más nincs! A Váz egyébként egy APRILIA SCARABEO 200 cc. nagy robogó ami ugyan csak 4T Volt a vázon rajta van az ő trafója meg minden, kábel köteg csak a blokkja hiányzik ! Ebbe akarnám bele varázsolni a kis Piaggiot!

Liberty 50 2T Emblema jellemzői és specifikációi

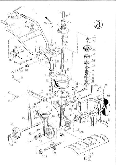
Piaggio Liberty 125 Kuplung Robbantott Ábra
Piaggio Liberty 125 robbantott ábra (forrás: SIP Scootershop)

Karburátor Beállítás és Fogyasztás

Sokaknak problémát okoz a karburátor beállítása és a fogyasztás optimalizálása.

Állítani lehet a karburátoron egy igen szűk intervallumon belül de nem csavartekergetéssel hanem fúvóka cserével.

Üzemmeleg motor mellett a karburátoron található alapjárati fordulatszámállító csavart állítottam, úgy, hogy hallhatóan feljebb pörgött a fordulatszám, olyan szintre, ami még nem túl magas, de épp nem áll le a motor. Azóta nekem műxik szépen. Nagyon piciket kell rajta csak csavarni, mert érzékeny műszer.

Ha a robogód sokat fogyaszt, érdemes ellenőrizni a karburátort. Például, ha egy 50cc 4T Liberty 1,9 litert fogyaszt, az elég magas érték.

Alapjárat Problémák

Mi lehet az oka annak, hogy a 50cc 4T Liberty 20 perc használat után megállok a lámpánál és az alapjáratnál köhög és lefullad. Azután újraindítom és megy. Elektronikát cserélték nem az volt a baj. Most a gyújtáskapcsoló lesz megnézve.

Beverly 500 olajcsere: a csavar részletei

Egyéb Tippek és Információk

  • Csapszegméret: Gyárilag 10 mm.
  • Olajszint: Nálam 1.1 dl-nél a teljesen becsavarva el éri azt a kis pontot a nívó alján. Szerintem hagyd úgy ahogy van az a 2 cl nem számít.

Liberty 50 4T robogómra vettem egy 30 cm magas szélvédő plexitet. Az a problémám, hogy este nagyon szétszórja az első lámpa fényét és zavaró. Elvágnom nem kell mert csak 30 cm magas és bőven el látok felette. Nem a szembejövő járművek fénye zavaró hanem a saját első lámpa fényét vezeti a plexi.

Milyen gyakran kell ékszíjat cserélni?

Összefoglaló

Reméljük, ez a cikk segített jobban megérteni a Piaggio Liberty 125 robogókat, különös tekintettel a kuplungra és a karbantartásra. Ha további kérdésed van, ne habozz felkeresni szakembert!

tags: #piaggio #liberty #125 #kuplung #robbantott #ábra