Opel Astra G TID Kijelző Hibák és Javítási Lehetőségek

Az Opel Astra G, Corsa C, Tigra és más modellekben gyakran használták ugyanazt az idő, külső hőmérséklet és gyári rádió információs kijelzőt (TID). Ezek a kijelzők több cikkszámon is megjelentek, valószínűleg több gyártó által: Siemens, Valeo és Borg.

  • 009133265 Siemens 5WK70007 KZ: "AL"
  • 09133266 002419386 96.598 Valeo KZ: "AZ"
  • 90560091 Siemens 5WK7454
  • 024461075 KZ: "WA"
  • 90562546 002419386 96.598 Valeo
  • 24418957 96598 Borg
  • 24461517 317099190 98.496 BORG

Eltérések is akadnak közöttük, egyes gyártóktól kikerült olyan kijelző amin a két gomb nyomva tartásával egyfajta diagnózist lehetett elindítani ami az aktuális sebességet is kiírta. Előfordulnak olyan kijelzők amik gyárilag blokkolva vannak tehát csak az idő a hőmérséklet és a dátum kijelzést jelenítik meg.

Sokan lecserélték a gyári rádiót egy komolyabb 1 DIN-es CD-s vagy Mp3-as egységre, ebben az esetben le kellett mondaniuk a kijelző alsó sorában megjelenő információkról.

ASTRA G - Cambiar iluminación Tid o Cid a LED v2.0

Gyakori Hibák és Lehetséges Okok

Számláló Akadozása

A számláló nem akadozik, hanem "elcsúszik a jel" vagy időzítés hiba. Ez azt jelenti, hogy a számláló megy tovább, csak éppen a kijelző nem írja ki (szinkronizálási hiba). Van amikor 5 perc után nincs adat, majd 14-15 percnél magához tér.

A távolság, a forrásban a megtett távolság az alapja mindennek, tehát hátralévő kilométerek, átlagfogyasztás stb. Így már logikus a túlfogyasztás, ha a kocsi szerint 500 km, akkor az óra szerint 460, és ott van az a 2-3 liter különbség emiatt.

Astra F TID kijelző bekötési útmutató

A csúszás az időzítés miatt van, tehát a Set gombnyomásra 3 másodperc a késleltetés minden egyes funkciónál, ami miatt a program futása megáll erre az időre, így menetközben addig kihagyja a bejövő jeleket. Ezt belső interruptos számlálóval kilehetne küszöbölni és így független lenne a késleltetéstől az adatgyűjtés.

Illetve érdemes lenne a sebesség illetve az injektort is a bemeneten interruptként kezelni, mondjuk egy 20MHz-s órajel mellett. Ebben az esetben is a 3 másodperces késleltetés így meglenne kerülve.

Rádió Kijelzés Hiánya

Ha a rádió üzemben az alsó sor sötét, annak több oka is lehet. A gyárilag beépített rádió az alsó sorban jelezte ki az éppen aktuális menü vagy rádió állomás nevét. Sokan nem elégedtek meg ezen rádiók tudásával így lecserélték egy komolyabb 1 DIN-es CD-s vagy Mp3-as egységre,ebben az esetben le kellett mondaniuk a kijelző alsó sorában megjelenő információkról.

Fogyasztásmérő Hibák

A fogyasztásmérő hibás értéket mutathat, ha a megtett távolság nem pontosan kerül rögzítésre.

A fogyasztás számításának módosítása:

Tippek az Opel Meriva A oszlop javításához

Eredeti sor:

ConsMedTotal = DistTotal/((vazaomlTotalEEPROM + (vazaomlTotal - vazaomlTotalReset))/1000.0);

Módosított sor:

ConsMedTotal = 100/(DistTotal/((vazaomlTotalEEPROM + (vazaomlTotal - vazaomlTotalReset))/1000.0));

Ez a módosítás a 100 km-re vetített átlagfogyasztást adja ki, nem a kilométer/liter átlagot.

Zafira EcoFlex olajszűrő csere útmutató

Megoldások és Alternatívák

Arduino Használata

Arduino segítségével egyedivé tehetjük a kijelzőt. Több éven át nálam is a dátum kijelzés ment,míg egyszer véletlenül ráakadtam egy Arduino-s programra ami a dátum kijelzés helyére egy egyedileg begépelt szöveget jelenít meg.

Az Arduino panelről:

Erre a célra felhasználható bármelyik a képen látható fajta,méretükben és az USB csatlakozó kialakításban térnek el egymástól,kezdőknek az USB csatlakozósat és gyárilag tüske soros verziót javaslom. Azon panelok amiben nincsenek gyárilag beforrasztva a tüskék (mellékelni szokták a csomagban) nekünk kell beforrasztanunk. Az USB csatlakozó nélkülieket egy úgy nevezett FTDI illesztővel tudjuk USB-re csatlakoztatni és majd programozni.

Az arduino-ról pár szóban itt! A kijelző teszt programja innen letölthető. Az alsó piros jelölésben a kijelzőn kiírandó szöveget írhatjuk át,ez nálam .Welcome!. felirat lett!

Egy kis programozási tudással elképesztő dolgokat lehet csinálni akár erre a kijelzőre is! Pl. az arduino egyik bemenetére kötve az ajtó szálat ki írható hogy éppen csukva vagy nyitva van,tovább megyek ugyan ezzel az ardu panellel fedélzeti computer-t varázsolhatunk a kijelzőre ami az autó üzemanyag fogyasztását,akku feszültséget,sebességet,megtett távot,stb.

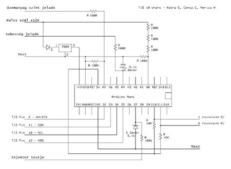
A kijelző csatlakozó lábkiosztása:

TID Kijelző bekötése

A csatlakozó a kijelző hátuljában található 12 pines, a képen látható bekötési rajzon a Corsa C vezeték színezései vannak ez az Astra G-n más!! A lábak pozíciója ugyan az.

A kijelző csatlakozóból ezekre a lábakra van szükség:

  • Pin 1: +15 Gyújtás
  • Pin 6: Test
  • Pin 10: SCL adat vonal
  • Pin 11: SDA adat vonal
  • Pin 12: MRQ adat vonal

Fontos! Az adat vonal csak akkor működik ha a TID kijelzőn nincs dátum megjelenítés,ehhez a Pin 2 lábat egy 1 kohm-os ellenállással pozitívra kell kötni!

Az Arduino panelről:

Erre a célra felhasználható bármelyik a képen látható fajta,méretükben és az USB csatlakozó kialakításban térnek el egymástól,kezdőknek az USB csatlakozósat és gyárilag tüske soros verziót javaslom. Azon panelok amiben nincsenek gyárilag beforrasztva a tüskék (mellékelni szokták a csomagban) nekünk kell beforrasztanunk. Az USB csatlakozó nélkülieket egy úgy nevezett FTDI illesztővel tudjuk USB-re csatlakoztatni és majd programozni.

Kis hazánkban a jófogás és vatera oldalakról is beszerezhetőek de aki jártas az ebay-en vagy nagyobb kínai webshop-ok rendelésében spórolhat pár forintot több darab bevásárlása esetén!

Tablet Beépítése

Másik lehetőség a TID helyére bemenne egy telefon, én samsung galaxy telót akartam odatenni, és kivezetékelni a kapcsolókat, a töltés közben nem kapcsol ki opciót bekapcsolni, így gyújtás ráadása esetén már nem is kell a billentyűzár gomb (de jó ha kivan vezetékelve egy esetleges lemerülés esetére).

Tablet. 7"-os a mérettel bemegy, DE! figyelj rá a 7" a teljes beépítési méret. Nem a teljes méretet adják, hanem a kijelzőjét, arra még rámegy a keret stb.

A GPS-t leszavazom, mert nagyon lent van, és elveszi a figyelmet az állandó lefelé nézegetés.

Rádió Kód Problémák

A rádió kódjának elvesztése gyakori probléma akkumulátorcsere után. Ha a rádió SAFE módban van, a következő lépésekkel próbálkozhat:

  1. Kapcsold gyújtásra, a rádió legyen kikapcsolva.
  2. Nyomd folyamatosan az AS gombot, és közben kapcsold be a rádiót.
  3. Sípol a hangfal. Megjelenik a négy vízszintes karakter.
  4. Az első számot az 1-es gombbal megnyomod háromszor, a második számot a 2-es gombbal, megnyomod 9-szer, stb.
  5. A végén megnyomod az AS-t újra, majd bekapcs.

Egyéb Rádióproblémák

Előfordulhat, hogy a Blaupunkt Car 300-as rádiósmagnó az akkumulátor kivételekor valamit elfelejtett, ugyanis a gyújtás ráadásakor nem kapcsolt be, de ha én bekapcsoltam, akkor működött. Legutóbbi akkusaru levételekor már kiírta a SAFE-t és a megadott jelszóbevitel már nem működik.

G Astrámban gyári CDR500-as cd-s rádió van. Ha beteszek egy cd-t hangos "kerregő/kerepelő" hangot ad amíg be nem olvassa. Ugyanez a helyzet, ha cd-ről hallgatok zenét, utána simán gyújtást leveszem ismét egy ideig kerregő hang, majd elhallgat. Gondolom, hogy az olvasófejjel lehet a probléma, de egyáltalán nem értek hozzá mit is lehetne tenni. Egyáltalán valaki tapasztalt már ilyet? Javítható ez nem túl drágán valahogy?

tags: #opel #astra #g #tid #kijelző #hiba