Lada Első Lámpa Kapcsolási Rajz: Minden, Amit Tudnod Kell

Honlapunk fő célja a Ladával kapcsolatos különböző dokumentációk elérhetővé tétele. Ez az a szekció, amely - szerénytelenség nélkül állíthatjuk - ezt az oldalt világviszonylatban is az autós oldalak legjobbjai közé emeli. Megtalálható itt minden, a kerékcsere leírásától a legbonyolultabb vezérlési problémákig.

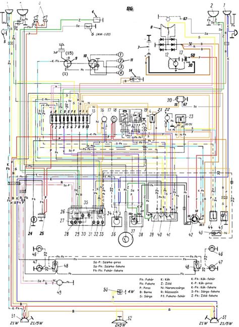
Lada Első Lámpa Kapcsolási Rajz

Egy tipikus Lada első lámpa kapcsolási rajza (illusztráció)

Fontos Tudnivalók a Lada Világítási Rendszeréről

Melyik Lada típust válasszam? Milyen a jó olajszűrő? Silány levegőszűrő! Hogyan kell szétszedés nélkül 20mp alatt megállapítani, melyik váltó típussal van dolgunk? Milyen felnit tegyünk szabályosan Ladánkra? A megszakítóról.... Megszakítós, vagy opto gyújtás?

A következőkben részletezzük a biztosítékok szerepét és a védett áramköröket a Lada gépjárművekben:

Biztosítékok és Védett Áramkörök

A Lada gépjárművekben a biztosítékok védik az elektromos áramköröket a túlterheléstől és a rövidzárlattól. Az alábbiakban felsoroljuk a biztosítékok sorszámát és a hozzájuk tartozó védett áramköröket:

Samara kerékcsapágy Francia típus

  • 1- /8 A/: Hátsó-lámpák /hátrameneti lámpa/. A fűtőberendezés villamos motorja. A hátsó ablak melegítésének reléje és ellenőrző lámpája /tekercs/.
  • 2- /8 A/: A szélvédő ablaktörlőjének és ablakmosójának villamos motorjai. A fényszórók tisztító- és mosóberendezéseinek villamos motorjai. Ablaktörlőrelé. A fényszórók törlő- és mosóberendezésének reléje /érintkezők/.
  • 5- /16 A/: A hátsó ablak melegítőeleme és a melegítés kapcsoló reléje /érintkezők/.
  • 6- /8 A/: Szivargyújtó. A hordozható lámpa dugaszoló aljzata.
  • 7- /16 A/: Kürtök.
  • 8- /8 A/: Irányjelzők vészjelzési üzemmódban. Az irányjelzők és a vészjelzés kapcsolója és megszakító reléje vészjelzése üzemmódban.
  • 9- /8 A/: A generátor gerjesztőtekercse.
  • 10- /8 A/: Irányjelzők irányjelzési üzemmódban és a megfelelő ellenőrző lámpa. A tüzelőanyag-tartalék, az olajnyomás, a kézifék és a tüzelőanyag-szint ellenőrző lámpái. Az akkumulátor töltését jelző ellenőrző lampa és a lámpa reléje. Kombinált műszer. Volt mérő. A porlasztó pneumatikus szelepét működtető rendszer. A kézifék ellenőrző lámpájának megszakító reléje.
  • 11- /8 A/: Hátsó lámpák /féklámpák/. A kocsiszekrény belső világításának mennyezetlámpája.
  • 12- /8 A/: Jobb oldali fényszóró /országúti fény/. A fényszórók -törlőberendezését kapcsoló relé tekercse /bekapcsolt országúti fény esetén/.
  • 13- /8 A/: Bal oldali fényszóró /országúti fény/. A fényszórók országúti fényének bekapcsolását jelző ellenőrző lámpa.
  • 14- /8 A/: Bal oldali fényszóró /helyzetjelző lámpa/. Bal hátsó lámpa /helyzetjelzés/. Rendszámtábla-megvilágító lámpák. Motorháztetõ alatti lámpa. A helyzetjelzés bekapcsolását jelző ellenőrző lámpa.
  • 15- /8 A/: Jobb oldali fényszóró /Helyzetjelzõ lámpa/. Bal hátsó lámpa /helyzetjelzés/. Szivargyújtó-megvilágító lámpák. Műszermegvllágító lámpa. Kesztyűtartó-megvilágító lámpa.
  • 16- /8 A/: Jobb oldali fényszóró /tompított fény/. A fényszórók törlőberendezését bekapcsoló relé tekercse /bekapcsolt tompított fény esetén/.
  • 17- /8 A/: Bal oldali fényszóró /tompított fény/. Hátsó lámpák /ködlámpák/. A ködlámpák kapcsolását jelző ellenőrző lámpa.

Megjegyzés: Az 1983-ig gyártott gépkocsikon a kesztyűtartó-világító lámpát a 2 biztosító védte.

Lincos® 2019DKL2 Optikai fényszóró ellenőrző és állító lézeres vízorral

Kapcsolóegység Vezetékeinek Színei

A kapcsolóegységhez a motorháztetõ alatti térben és az utastérben csatlakoztatott vezetékek színei fontosak a helyes bekötéshez. A 7-3. ábra a motorháztető alatti térben, míg a 7-4. ábra az utastérben található csatlakozókat mutatja.

Lada Kapcsolóegység Vezetékei

A kapcsolóegység vezetékeinek színei (illusztráció)

A helyes bekötés érdekében mindig ellenőrizze a vezetékek színeit és a kapcsolási rajzot.

Alkatrész útmutató Lada típusokhoz

Ablakemelő javítás Lada gépkocsikban

tags: #lada #első #lámpa #kapcsolás