Chevrolet Lacetti Támasztócsapágy Csere és a Kormánymű Hibáinak Felismerése
A kormánymű hibáinak időbeni felismerése kulcsfontosságú lehet a magas javítási költségek elkerülése, illetve a teljes kormánymű vagy akár az autó cseréjének megelőzése érdekében.
Ebben a cikkben bemutatjuk, hogyan ellenőrizheti a kormánymű működőképességét, milyen jelek utalhatnak a kormány hibáira, valamint a Chevrolet Lacetti támasztócsapágy cseréjével kapcsolatos tudnivalókat.
A Kormánymű Hibáinak Jelei
Milyen jelek utalhatnak a kormány hibáira? Ha időben fedezzük fel a hibákat, jobbak az esélyeink. Így megúszhatjuk a magas javítási költségeket, esetleg a teljes kormánymű, vagy akár az autó cseréjét is. Érdemes tehát itt és most elolvasnunk, milyen kormánymű hibák fordulhatnak elő.
1. Szervó Hiánya
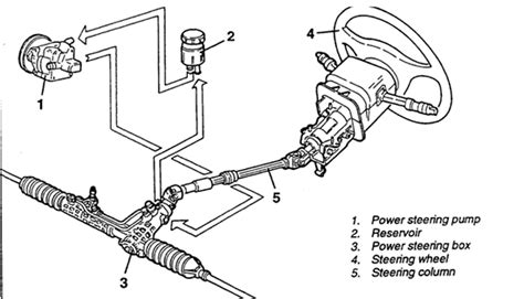
Elektromos kormányoszlopoknál leggyakrabban vezérlőelektronikai hiba az ok. Hidraulikus kormányműveknél olajfolyás vagy a vezérlőszelep meghibásodása okozhatja, hogy nincs szervónk. Nem javasolt, mert balesetveszélyes, mivel az autó irányíthatósága sokkal rosszabb.
2. Kormánymű Folyása
A kormánymű folyásának, azaz az olaj szivárgásának a leggyakoribb oka a szimeringek elhasználódása szokott lenni. Ennek a hátterében azonban valamilyen más probléma is állhat. A szimering, azaz O-gyűrű, funkciója szerint tömítőgyűrű.
Kerékrajzok és fényszórók Chevrolet modellekhez
A szimering elhasználódása mögött pedig a kormánymű, vagy annak egyes részeinek fokozott igénybevétele állhat. Minden kormánymozdulat során csúszik a fémen, aminek nagyon sima felületnek kell lennie. A kormánymű porvédő harangjainak sérülése vagy nem megfelelő rögzítése miatt por illetve víz kerül a fémfelületre. A por pedig karcolást és kopást okozhat rajta, miközben a víz korrodálhatja azt.
Nem javasolt közlekedni az autóval, hiszen ha az elfolyt olaj miatt a szivattyú szárazon jár, tönkre mehet. A javítás során megköszörüljük, polírozzuk a fémfelületet és emellett természetesen kicseréljük a tömítéseket is. Fontos!
3. Kormánymű Kopogása
A kormánymű kopogását a fogasléc fogainak vagy épp az orsó tengelyének kopása okozhatja. De a csapágy vagy a támasztópersely is elkophatott. Az említett alkatrészek kopásával idővel romlik az autó irányíthatósága. A kopott alkatrészek cseréje oldhatja meg a problémát.
A csapágyak, támasztó perselyek cseréjéhez is szét kell szednünk teljesen a kormányművet, ilyenkor pedig a tömítésgarnitúrát is cserélni kell.
4. Lógó Kormánymű
A lógó kormánymű nem feltétlenül okoz azonnal problémát. Azonban egy időzített bombaként tekinthetünk rá, mivel nagyon terheli és deformálhatja a tömítéseket, az pedig olajfolyást okozhat. Ennek a hibának a javítása is a kormánymű teljes szétszerelésével jár. Ki kell cserélni a hibát okozó támasztóperselyt, vagy éppen a csapágyat.
Lacetti szedán elektromos ablakemelő javítási útmutató
5. Elektromos Szervorendszer Hibái
Az elektromos szervorendszerek kifejezetten érzékenyek az akkumulátor, a töltés és persze az autó egész elektromos hálózatának állapotára. Így ezek meghibásodásakor vagy akár ettől függetlenül is tönkre mehet a vezérlőelektronikájuk.
További probléma, hogy a kerékjáratokba vannak szerelve az EPS elektrohidraulikus szivattyúk, pl. Skoda Fabia, VW Polo, Opel Meriva B stb. Emiatt a sár, hólé könnyen bejut és tönkre teheti. Elektromos kormányoszlopoknál Grande Punto, Opel Corsa, Meriva A, Kia Ceed, Hyundai i30, stb. is gyakori hiba, hogy csak újra indításkor jön vissza a szervó, amit szintén valamely elektronikai alkatrész hibája okoz.
Egyáltalán nem javasoljuk. Habár a legtöbb szervót úgy terveztek, hogy menet közben lehetőleg ne álljon le, hanem csak egy következő újraindításkor. Ha mégis hibajeleket mutató szervóval kényszerül közlekedni, azonnal keressen szervizt, ahol bevizsgálják és addig is fokozott óvatossággal vezessen.
A javítás teljesen hiba (hibakód) és típusfüggő. Leggyakrabban nyomatékszenzor, elektromos panel vagy elektromos motor elektronika szorul javításra. Vannak típusok, ahol kifejezetten gazdaságos a javítás, van ahol pedig a cserével járunk jobban.
6. Kormánymű Holtjátéka
A kormánymű holtjátéka az a jelenség, amikor a kormánymozgást úgy tudjuk végezni, hogy a kerekek nem mozdulnak el. Ennek a mértéke lehet 5-15 fok vagy 2-4 cm, amely még nem jelent problémát, határon belüli. Egyszerű letesztelni, a kerekek egyenes állása mellett a kormányt jobbra, illetve balra mozdítjuk el, addig míg a kormányzott kerekek nem mozdulnak.
Svájci gyökerek, amerikai álom: Chevrolet Magyarországon
Ez a típusú kormánymű hiba utalhat kopott kormányműre, esetleg lógó csapágyakra. De előfordulhat, és igen gyakori, hogy a kormányösszekötő gömbcsuklóinak a hibája okozza a holtjátékot.
Túl nagy holtjátékkal nem biztonságos közlekedni, hiszen minél kisebb mértékben reagál a kerék a kormánymozdulatunkra, annál nehezebb és kiszámíthatatlanabb az autó irányítása. Ráadásul a kormánymű holtjátéka mögött álló okok kivizsgálására is szükség van.
Érdemes először otthon megnézni a gumik állapotát, és felfújni azokat. Kormánymű felújítás, a kopott alkatrész cseréje a jellemző megoldás ebben az esetben.
Külön említést érdemel, ha elektromos szervó van az autóban és holtjátékot tapasztalunk. Nem tudhatjuk, hogy mikor fog letiltani a szervó vezérlőelektronikája, ezért nagyon kockázatos ilyen állapotban használni az autót.
7. Túl Könnyen Mozgatható Kormány
Ha a kormányt túl könnyen tudjuk mozgatni, akkor az egyik legproblémásabb és legveszélyesebb hibára gyanakodhatunk, vagyis a szervokormánymű orsótengelyén lévő vezérlő meghibásodására. Ez jelentheti a vezérlőtengely gyűrűinek elhasználódását, vagy a kormánymű öntvényházának kopását.
A tipikus hiba lehet, ha a szervohatás csak az egyik irányba alakulhat ki, vagy ha éppen túl könnyű az. Ez a hiba általában kormánymű javítását irányozza elő, a legtöbb esetben annak felújítását vagy teljes cseréjét kell elvégezni.
8. Egyéb Hibák
Ékszíj csere, vagy a szervoszivattyú cseréje segíthet a problémán.
9. Kormány Megszorulása
Például a kormány néha megszorul, aztán megindul? Ebben az esetben előfordulhat, hogy a csúszó ékszíj okozza a problémát de a szervoszivattyú vagy a csőrendszer dugulása is okozhatja a kormány ugrálását. A probléma mértékétől függ, hogy balesetveszélyes-e használni az autót. Nagy mértékben függ a kiváltó októl.
10. Kormánymű Akadása
A kormánymű akadása sokszor nem a kormánymű hibája, hanem a kardánok kopása esetleg korrodáltságának a jele. Az akadó kormánymű esetében a kopott, megrongálódott alkatrészek cseréje a megoldás.
10+1. Nyikorgó Kormánymű
A nyikorgó kormánymű általában azt jelzi számunkra, hogy a kormányoszlop vezetőperselye száraz. De az is előfordulhat, hogy a kormányrásegítő a hibás. Ha a kormányrásegítő szíja sérült, akkor bármikor teljesen elszakadhat. Ha ez a probléma, a nyikorgó hang oka, akkor balesetveszélyes lehet így közlekednünk.
Ha a kormányoszlop vezetőperselye volt a probléma oka, akkor meg kell zsírozni. Ha a kormányrásegítő folyadéka fogyott el, akkor azt pótolni kell. A szíj esetében cserére van szükség.
Összefoglaló Táblázat a Kormánymű Hibáiról
Az alábbi táblázat összefoglalja a leggyakoribb kormánymű hibákat, azok okait és a lehetséges megoldásokat:
| Hiba | Lehetséges Okok | Megoldás |
|---|---|---|
| Szervó hiánya | Vezérlőelektronikai hiba, olajfolyás, vezérlőszelep meghibásodása | Vezérlőelektronika javítása, szimeringek cseréje, vezérlőszelep javítása/cseréje |
| Kormánymű folyása | Szimeringek elhasználódása, kormánymű alkatrészeinek kopása | Szimeringek cseréje, kormánymű felújítása |
| Kormánymű kopogása | Fogasléc, orsótengely, csapágy vagy támasztópersely kopása | Kopott alkatrészek cseréje, kormánymű felújítása |
| Lógó kormánymű | Támasztópersely vagy csapágy hibája | Támasztópersely vagy csapágy cseréje, kormánymű felújítása |
| Túl könnyen mozgatható kormány | Szervokormánymű orsótengelyén lévő vezérlő meghibásodása | Kormánymű javítása, felújítása vagy cseréje |
| Kormánymű akadása | Kardánok kopása, korrodáltsága | Kopott alkatrészek cseréje |
| Nyikorgó kormánymű | Kormányoszlop vezetőperselye száraz, kormányrásegítő hibája | Vezetőpersely zsírozása, kormányrásegítő folyadék pótlása, szíj cseréje |
MII kormány nyikorgás
tags: #chevrolet #lacetti #kitámasztó #csapágy #csere