Autórádió központi zár bekötése: Minden, amit tudnia kell

Az univerzális központi zár rendszerek kiemelkedő kényelmet és biztonságot nyújtanak autód számára. Legyen szó régebbi vagy újabb járművekről, ezek a megoldások könnyen telepíthetők, hatékonyan növelve a komfortot és a használhatóságot. Fedezze fel univerzális központi záraink széles választékát, amelyek tökéletes megoldást kínálnak autója biztonságának és kényelmének növelésére! Központi zár szettjeink megkönnyítik az ajtók vezérlését, egyszerűbbé és gyorsabbá téve a mindennapi használatot. Az utólagos központi zár beszerelésével autója technológiai szinten is felzárkózik, miközben központi zár motorjaink precíz és megbízható működést garantálnak.

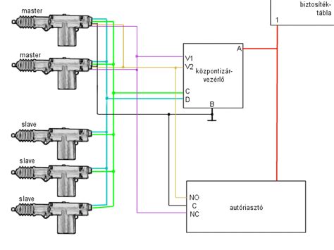
központi zár bekötése

Központi zár típusok

Különböző típusú központi zárak léteznek, melyek eltérő igényeket elégítenek ki:

  • Kulcsos központi zár szettek: Egyszerű, mégis megbízható megoldást kínálnak, amely lehetővé teszi, hogy egyetlen kulccsal zárd vagy nyisd autód összes ajtaját. Gazdaságos alternatíva, amely régebbi és újabb járművekkel is kompatibilis. A tartós zár motorokkal felszerelt rendszer könnyen telepíthető, és minden szükséges alkatrészt tartalmaz.
  • Távirányítós központi zár szettek: Maximális kényelmet biztosítanak: egyetlen gombnyomással nyithatod vagy zárhatod az ajtókat. A modern távirányítók egyszerűen kezelhetők, fokozott biztonságot és gyors működést kínálnak. Ezek a rendszerek ideálisak, ha teljesen automatizált megoldást keresel autódhoz.

Az utólagos központi zár beszerelése manapság már könnyen megoldható! A szettek minden szükséges alkatrészt tartalmaznak, mint például kábeleket, vezérlőmodult, motorokat és rögzítőelemeket. Az összeszerelést a mellékelt használati utasítás egyszerűbbé teszi, így akár saját kezűleg is elvégezhető, azonban némi szakértelmet igényel, mivel a nem megfelelő beszerelés a zár motorok idő előtti meghibásodásához vezethet.

Univerzális központi zár készletek személyautókhoz

Ha nincsenek még központizár motorok az autóba beszerelve, normál és távirányítós készletek is elérhetők!

Kínálatunk

  • 2 ajtós komplett központizár készlet: Mely vezérlődik kulccsal is, tehát önállóan is beszerelhető (riasztó vagy távirányító nélkül is), ÖSSZEKÖTHETŐ MÁR MEGLÉVŐ RIASZTÓVAL IS!
  • 4 ajtós komplett központizár készlet: Mely vezérlődik kulccsal is, tehát önállóan is beszerelhető (riasztó vagy távirányító nélkül is), ÖSSZEKÖTHETŐ MÁR MEGLÉVŐ RIASZTÓVAL IS!
  • 2 ajtós komplett központizár készlet 2 db ugrókódos távirányítóval: Tehát önállóan is beszerelhető!
  • 4 ajtós komplett távirányítós központizár készlet 2 db ugrókódos távirányítóval: Tehát önállóan is beszerelhető!
  • 4 ajtós komplett központizár készlet + 1 tolóajtó átvezetővel: Mely vezérlődik kulccsal is, tehát önállóan is beszerelhető (riasztó vagy távirányító nélkül is), ÖSSZEKÖTHETŐ MÁR MEGLÉVŐ RIASZTÓVAL IS!
  • 4 ajtós központizár készlet, +1 db 5. ajtó központizár motor + 2 db tolóajtó átvezetővel: Mely vezérlődik kulccsal is, tehát önállóan is beszerelhető (riasztó vagy távirányító nélkül is), ÖSSZEKÖTHETŐ MÁR MEGLÉVŐ RIASZTÓVAL IS!
  • 4 ajtós komplett távirányítós központizár készlet + 1 tolóajtó átvezetővel: Mely vezérlődik kulccsal is, tehát önállóan is beszerelhető (riasztó vagy távirányító nélkül is), ÖSSZEKÖTHETŐ MÁR MEGLÉVŐ RIASZTÓVAL IS!
  • 5 ajtós távirányítós központizár készlet, +1 db 5. ajtó központizár motor + 2 db tolóajtó átvezetővel: Mely vezérlődik kulccsal is, tehát önállóan is beszerelhető (riasztó vagy távirányító nélkül is), ÖSSZEKÖTHETŐ MÁR MEGLÉVŐ RIASZTÓVAL IS!

Legtöbb autónál vezérelhető kulccsal is, de vannak autók ahol csak távirányító modullal lehet a vezérlést megoldani, mert annyira kicsit mozdul a gyári zárszerkezet, hogy a vezérlőmotor beállítása szinte lehetetlen. Ilyenkor mindenképpen javasoljuk hogy vagy távirányító modult vagy riasztót vásároljon még hozzá és azzal legyen megvezérelve! Ha már van távirányítós riasztó az autóban akkor azzal is összeköthető.

Ignis autórádió útmutató

központi zár

Egyéb kiegészítők

  • Csomagtér zárak és mágneses nyitók: Hatékony és korszerű megoldást nyújtanak a csomagtér biztonságos és kényelmes használatához.

Gyakori kérdések

  • Van lehetőség a gyárilag kulcsos központi zár távnyitóssá tételére? Igen megoldható a távnyitóval történő nyitás-zárás. A centrálzár vezérlő modul beszerelése 2-3 óra.
  • Tudnak gyári központi zárat is javítani? Nem mindegyiket, de általában a vezetékek sérülnek, vagy a motorokat kell cserélni.
  • Milyen centrálzárakat szerelnek? Típus specifikus központi zárat szerelünk, mely megbízhatóbban működik és jobban szerelhető mint az univerzális. Egyszerűbb, régebbi típusokba megfelelő az univerzális centrálzár is, melyek olasz, erős motorosak.

További szolgáltatások

Fordulhat hozzánk bizalommal autóhifi, erősítők, fejegységek, mélysugárzók, komponens szettek, koaxiális hangszórók beszerelésével kapcsolatban, valamint otthon vagyunk a multimédia, navigáció, telefontükrözés, monitorok, érintőkijelzős rádiók területén is. Kiemelt profilunk a gépjárművédelem, riasztó, immobiliser, rablás gátló, műholdas és GSM követők szerelése, valamint nagy hangsúlyt fektetünk a kényelmet szolgáló kiegészítő eszközök szerelésére is, mint a kihangosító, ülésfűtés, központi zár utólagos beszerelése, illetve gyári központi zár javítása, elektromos ablak, tolatóradar és parkoló radar, menetfigyelő kamera.

Várjuk szeretettel, ha tolatókamerát szeretne beszereltetni, vagy gyári tolatókameráját szeretné megtartani utólagos rádiójához, esetleg gyári fejegységhez utólagos tolatókamera beszerelésére lenne szüksége. Legtöbb szolgáltatásunkat nem csak személygépjárművével kapcsolatban veheti igénybe, hiszen foglalkozunk hajók, buszok, quadok, motorok, illetve mezőgazdasági járművek szerelésével is! Gyújtáskapcsoló javításától kezdve, a vonóhorog bekötésen át az izzócseréig, mindenféle kisebb és nagyobb autóvillamossági problémával is kereshet minket, segítünk!

Árak (beszereléssel)

Az alábbi táblázatban összefoglaltuk a legnépszerűbb központi zár szettek beszerelési költségeit:

Termék Beszerelési ár
Távirányító modul 2 db ugrókódos távirányítóval 29 900 Ft
Távirányító modul 2 db ugrókódos bicskás kulcsos távirányítóval 30 900 Ft
Távirányító modul 2 db ugrókódos távirányítóval 34 900 Ft
2 ajtós komplett központizár készlet 35 900 Ft
4 ajtós komplett központizár készlet 54 900 Ft
2 ajtós komplett központizár készlet 2 db ugrókódos távirányítóval 45 900 Ft
4 ajtós komplett távirányítós központizár készlet 2 db ugrókódos távirányítóval 61 900 Ft
4 ajtós komplett központizár készlet + 1 tolóajtó átvezetővel 64 900 Ft
4 ajtós központizár készlet, +1 db 5. ajtó központizár motor + 2 db tolóajtó átvezetővel 79 900 Ft
4 ajtós komplett távirányítós központizár készlet + 1 tolóajtó átvezetővel 74 900 Ft
5 ajtós távirányítós központizár készlet, +1 db 5. ajtó központizár motor + 2 db tolóajtó átvezetővel 89 900 Ft

Központi zár modul beszerelés Skoda Octavia 2.

XC90 központi zár javítási útmutató

Zárjavítás és átalakítás

tags: #autórádió #központi #zár #bekötése