Kangoo Tolatózár Rögzítés Javítása: Részletes Útmutató

Sok Kangoo tulajdonos szembesülhet a tolatólámpa kapcsolójának problémájával, különösen, ha az autó korábban automata váltós volt, de manuálisra lett átalakítva. Ebben az esetben a tolatólámpa nem fog működni, még akkor sem, ha a kapcsoló bent van a manuális váltóban és a kábel is rá van dugva.

A probléma oka általában a vezetékezésben keresendő. A tolatólámpa kapcsolóhoz két vezetéknek kell mennie: egy pozitívnak, amit a kapcsoló átkapcsol a másik szálra, és ez a vezeték megy a lámpákhoz. Ha a csatlakozóban megvan a 12V, akkor a hiba a lámpák felé van.

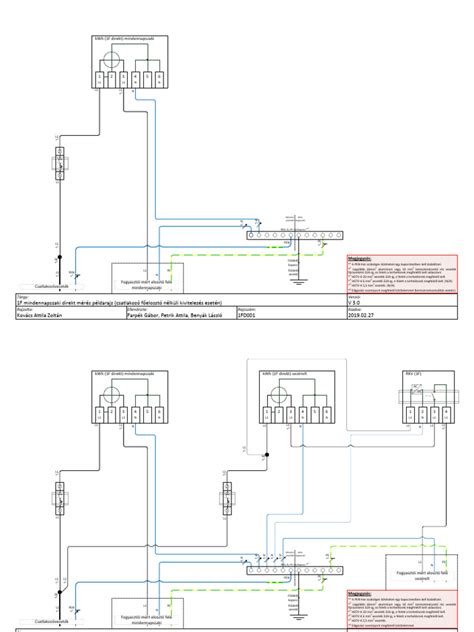
Tolató lámpa bekötési rajza

Gyakori Hibák és Megoldások

  • Vezetékezési problémák: Ellenőrizze a vezetékeket a kapcsolótól a lámpákig, keresve szakadásokat vagy rossz kötéseket.
  • Kapcsolóhiba: Ha a kapcsoló hibás, cserélje ki egy újra.
  • Biztosíték: Ellenőrizze a tolatólámpa biztosítékát, és cserélje ki, ha szükséges.
  • Csatlakozó problémák: Ellenőrizze a csatlakozókat a korrózió vagy sérülés jeleit keresve. Tisztítsa meg vagy cserélje ki a csatlakozókat, ha szükséges.

Amennyiben a fenti lépések nem oldják meg a problémát, érdemes szakemberhez fordulni, aki alaposabban át tudja vizsgálni a rendszert.

Váltóolaj Szivárgás és Javítás

A Renault-váltós kivitelek egyik gyakori problémája a váltóolaj szivárgása. Ennek oka lehet a gyárilag hiányzó jobbos féltengelyszimmering. A váltóolaj szintjének rendszeres ellenőrzésével a probléma megelőzhető.

Comprobacion rapida retorno inyectores Delphi Motor K9K DCI 1.5 Kangoo, Clio, Sandero

Egyéb Lehetséges Problémák és Megoldások

A Kangoo-nál előfordulhatnak egyéb problémák is, amelyek befolyásolhatják a jármű működését. Ezek közé tartozhatnak:

JC5126 Valto Alkatrészek

  • Olajfogyasztás: Az olajfogyasztást általában a szelepszárszimmeringek elöregedése okozza. Ez javítható, de nem olcsó.
  • Alapjárati problémák: Az alapjárat ingadozását okozhatja a rail nyomás szabályozó szelep hibája.
  • Motor leállás: A motor randomszerű leállását okozhatja az üzemanyagszűrő hibája.

Fontos, hogy ezeket a problémákat időben orvosoljuk, hogy elkerüljük a nagyobb károkat.

A Kangoo motorterének ábrája

Alkatrész Beszerzés

A Kangoo alkatrészei általában nem drágák, és szinte minden beszerezhető bontottan is. A gyárit is olcsósította a Volvo az utángyártottak is megteszik egy majd nagykorú autóba.

Használt Kangoo Vásárlása

Használt Kangoo vásárlásakor érdemes alaposan átvizsgálni az autót, különös tekintettel a következőkre:

  • Kormánymű: Ellenőrizze a kormánymű állapotát, és javíttassa fel, ha szükséges.
  • Futómű: Vizsgálja meg a futómű tornyokat, hogy nincsenek-e erősen rozsdásodva.
  • Kárpit és kapcsolók: Ezek az alkatrészek gyakran leharcoltak lehetnek a használt autókban.

Ne feledje, hogy egy alapos átvizsgálás segíthet elkerülni a későbbi kellemetlenségeket és költséges javításokat.

Összegzés

A Kangoo egy szerethető és praktikus autó, de fontos, hogy odafigyeljünk a karbantartására és a felmerülő problémákra. A rendszeres ellenőrzések és a megfelelő javítások segíthetnek megőrizni az autó jó állapotát és hosszú élettartamát.

Kangoo cipő vásárlási tanácsok

Reméljük, hogy ez a cikk hasznos információkkal szolgált a Kangoo tolatózár rögzítésének javításával és az egyéb gyakori problémákkal kapcsolatban. Sok sikert a javításhoz!

Kangoo edzés vélemények

tags: #kangoo #toloajto #zar #rodazat #javítása