Az indítónyomaték szabályozása aszinkron motoroknál

Az ipari üzemekben gyakran felmerülő kérdés, hogyan lehet a kisfeszültségű hálózaton elindítani a közepes vagy nagy teljesítményű aszinkron motorokat úgy, hogy figyelembe vegyük a hálózati oldalon jelentkező korlátokat és a hajtott technológia igényeit.

Még a széleskörűen elterjedt csillag-delta indítók különböző technológiákban való alkalmazhatósága is gyakran előforduló kérdés, ugyanakkor a legújabb elektronikus motorindító berendezések felhasználásának kérdéseiről kevés szó esik.

1. A kalickás forgórészű aszinkron motorok indítása

A kalickás forgórészű aszinkron motorok forgórészének tekercse megnövelt ellenállású rudakból és/vagy különleges horonyformákkal készül annak érdekében, hogy a motor megfelelő indítónyomatékkal rendelkezzen.

Az ilyen motorokat hálózatra kapcsolva az indítónyomaték a névleges érték 1...2,2-szerese, a kiviteltől és a típustól függően. A közepes és nagy teljesítményű, kalickás forgórészű aszinkron motorok esetében elsősorban a nagy áramfelvétel csökkentése érdekében van szükség a direkt indítástól eltérő indítási mód alkalmazására.

Gyakran a hajtott technológia is igényli a mechanikai szempontból is lágyabb indítási megoldások alkalmazását.

Peugeot 306 indítórelé hibaelhárítás

Az 1. ábra a motor áramfelvételének (bal görbe) és nyomatékának (jobb görbe) változását mutatja felfutás közben. A szaggatott görbe egy lehetséges terhelés (pl. szivattyú) nyomatékának változását szemlélteti. Az ábrán látható a nagy indítási áramfelvételen túl a terhelő nyomaték feletti nagy túlnyomaték, ami nagy gyorsulást eredményez és a technológiai berendezések fokozott igénybevételét.

Motor áramfelvétele és nyomatéka

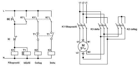
2. Csillag-delta indítás

A kalickás forgórészű motorok csökkentett feszültséggel történő indításának egyik módja a csillag-delta átkapcsolással megvalósított indítás.

Induláskor a motor tekercseire jutó feszültség a névleges érték √3-a. Az indítás pillanatában az áramfelvétel csak 2...2,6-szoros és ennek következtében a motor indítónyomatéka a direkt indításnál kifejtett érték harmadára csökken, mivel a motor nyomatéka a feszültség négyzetével arányos.

A 2. ábra a kékkel jelölt görbék a csillag-delta indításkor kialakuló motoráramot és motor nyomatékot mutatják. Látható a terhelő nyomaték feletti kis túlnyomaték és az átkapcsoláskor jelentkező áram- és nyomatékugrás.

Csillag-delta indítás görbéi

Tehát előnyként jelentkezik a viszonylag kis áramfelvétel és a kis túlnyomaték, ami lágyabb felfutást eredményez, de a kis motornyomaték hátrányos is lehet a feltüntetett terhelés jelleggörbéjétől eltérő jellegű technológiáknál.

Dio és más robogók hibaelhárítása

Például a szállítószalag, keverő- vagy adagolóhajtásoknál (gyűjtőnéven anyagmozgató hajtásoknál) történő alkalmazás esetén, ahol a nyomatékigény induláskor is a névleges érték közelében van (esetleg túl is lépi azt), vagyis ebben az esetben a motor nem tud elindulni, „beragad” a lecsökkent indítónyomaték miatt.

Ebből következően minden esetben külön mérlegelést igényel az, hogy az adott technológiához ez az indítási mód alkalmazható-e.

3. Elektronikus lágyindítók

A csökkentett feszültséggel történő indítás másik módja az elektronikus lágyindítók alkalmazása. Ezek a berendezések ellenpárhuzamos tirisztorokból kialakított váltakozó áramú szaggatók.

Az indulás pillanatában a beállított értékre korlátozzák a motor áramát és vagy a teljes felpörgésig megtartják azt (hagyományos lágyindító berendezések), vagy a szükséges nyomatéknak megfelelően szabályozzák az indítás alatt, mint a nyomatékvezérlésű lágyindítók és így lineáris fordulatszám-növekedést (állandó gyorsulást) biztosítanak.

Tehát a lágyindítók alkalmazásánál is - mivel csökkentett feszültséggel történő indításról van szó - a motor indítónyomatéka csökken. Az indítóáram általában a névleges motoráram 1,5...7-szerese között állítható, a terhelőnyomatéknak megfelelően.

Alvázszám alapján indítókulcs Fordhoz

3.a. Hagyományos lágyindítók

A 3.a. ábra a folyamatos áramkorlátozással működő, úgynevezett hagyományos lágyindító jelleggörbéit tartalmazza. A felső részében együtt van feltüntetve a motor áram- és nyomaték-fordulatszám jelleggörbéje (kék színnel jelölve). Az alsó részében három diszkrét feszültségnél kialakuló nyomaték-fordulatszám jelleggörbe látható.

Mivel a lágyindító az indítás folyamán a feszültséget folyamatosa változtatja nulla és a névleges érték között (annak érdekében, hogy az áram az előírt értékű legyen), végtelen sok ilyen görbe adott fordulatszámnál és adott kapocsfeszültségnél kialakuló pillanatnyi nyomatékértéke adja a felső részben feltüntetett eredő nyomaték-fordulatszám jelleggörbét.

Látható az alacsony fordulatszám-tartományban a kis motornyomaték és a felső tartományban a hirtelen megnövekedő nyomaték. Tehát a felső tartományban hirtelen felgyorsul a motor.

Hagyományos lágyindító jelleggörbéi

3.b. Nyomatékvezérlésű lágyindítók

A hajtott technológiák egyre gyakrabban igénylik a nyomaték korlátozását indítás alatt. Ezért születtek kifinomultabb vezérlési móddal működő lágyindító berendezések. Ilyen a nyomatékvezérlésű lágyindító.

Ez a lágyindító berendezés kalkulálja a motor nyomatékát és igyekszik az indítóáramot úgy vezérelni, hogy a terhelőnyomaték feletti túlnyomaték állandó értékű maradjon (a 3.b. ábrán satírozott terület). Ebből kettős előny származik.

Egyrészt a felső fordulatszám-tartományban nem marad fent feleslegesen a nagy motoráram, aminek hatására csökken a motor igénybevétele, másrészt a gyorsulás állandó értékű lesz, vagyis lineáris felfuttatás biztosítható, ami a technológia számára kedvező.

Tehát ezek a berendezések nem csak villamos szempontból lágyindítók, hanem mechanikai szempontból is. Bár az indító áram korlátozása 3-szoros névleges értéknél kisebbre nem igen állítható be, még a könnyű indítású technológiáknál sem.

Nehezebben induló technológiáknál pedig előfordulhat, hogy a direkt indításkor előforduló 6...7-szeres kezdeti indítóáramot kell beállítani. (Ebben az esetben csak mechanikai lágyindításról lehet szó és ezt csak a nyomatékvezérlésű lágyindítóval lehet megvalósítani.)

Nyomatékvezérlésű lágyindító

4. Tekercselt forgórészű aszinkron motorok indítása

A tekercselt forgórészű - más néven csúszógyűrűs - aszinkron motorok forgórész-tekercsének ellenállása kicsi a kalickás forgórészű motorokhoz viszonyítva.

Ezek a motorok nem alkalmasak direkt indításra, mivel indításkor a motor árama akkora lenne, aminek hatására károsodna a motor (deformálódhatnak a tekercsfejek és sérülnek a csúszóérintkezők), másrészt a kis forgórészellenállás miatt nagyon csekély lenne az indítónyomaték (a névleges érték 0,2...0,3-szorosa).

Így ezeknek a motoroknak az indítása a forgórészkörbe iktatott indító ellenállással történik, ami csökkenti az indítási áramot, másrészt növeli a motor indítónyomatékát (a szlip növelése által). Ezt az ellenállást indítás közben fokozatosan ki kell iktatni.

(Ilyen motorokat általában nehéz indítású technológiákban alkalmaznak - ma már egyre ritkábban -, melyeket kalickás forgórészű aszinkron motorral indítani nem lehetne.)

5. Frekvenciaváltók

Frekvenciaváltóval történő táplálás esetén az aszinkron motor felfuttatása (akár rövidrezárt forgórészű csúszógyűrűs, akár kalickás motor) a frekvencia folyamatos növelésével történik. Így a felfuttatási idő tetszőlegesen megszabható, csökkentve ezzel a mechanikai igénybevételt (ideális lágyindítás).

A 4. ábrán a motor négy diszkrét frekvencián kialakuló nyomaték-fordulatszám jelleggörbéje látható. Ezzel a táplálási móddal megvalósítható a névlegesnél jóval kisebb motorárammal történő felfuttatás (ha a motor terhelése ezt lehetővé teszi).

Ez azért lehetséges, mert a frekvenciaváltóval táplált motor felfuttatás alatt is a nyomaték- fordulatszám-karakterisztika üzemi szakaszán üzemel (a 4. ábrán kék, folyamatos görbeszakaszok) és soha sem a billenőnyomaték alatti (rövidzárlati) tartományban (kék, szaggatott görbeszakaszok).

Lassú felfuttatásnál a motor árama tehát végig a terhelő nyomatékkal arányos marad. A frekvenciaváltó hálózatból felvett árama pedig minden esetben a mechanikai teljesítménynek megfelelő. (P = M x w, ahol P a mechanikai teljesítmény, M a terhelő nyomaték, w pedig a tengely szögsebessége.)

Frekvenciaváltó jelleggörbéi

Így nem csak a motoráramtól függ, hanem a fordulatszámtól is. Tehát az egyszerűség kedvéért egy a szivattyútól eltérő, fordulatszámtól független, állandó nyomatékú terhelést feltételezve, a hálózati áramfelvétel a fordulatszámmal arányosan csökken, míg a motor árama a fordulatszámtól függetlenül állandó értékű.

Indítás pillanatában (a veszteségeket elhanyagolva) a kezdeti hálózati áramfelvétel nulla, majd a fordulatszámmal arányosan emelkedik, míg a motoráram folyamatosan névleges értékű (vagy esetleg annál nagyobb is lehet rövid ideig). A hálózati áram csak névleges fordulatszámon éri el a névleges értéket. (5.a. ábra, 5.b. ábra) Ez óriási jelentőségű.

Nem kell túlméretezni a táptranszformátort, a táphálózatot és kisebb lehet az áramszolgáltatónál lekötött energia.

Hálózati áramfelvétel
Motoráram

A feszültséginverteres frekvenciaváltók egy vezéreletlen egyenirányítón keresztül csatlakoznak a táphálózatra. Ebből következően felfuttatás alatt és a teljes üzem alatt is a hálózati cosφ értéke végig 1 marad. (A készülék a meddőenergiát maga állítja elő a motornak.) Így a teljesítményfelvétele tiszta wattos.

Mivel a frekvenciaváltók nem csak a motor indítására alkalmasak, hanem jellegüknél fogva az aszinkron motor fordulatszámának folyamatos változtatására is, a gyakorlatban ezek a készülékek legtöbb esetben fordulatszám-szabályozóként üzemelnek.

Azonban sok olyan technológia van, melyek egyébként nem igényelnének fordulatszám-szabályozót (főleg a nehéz indítású technológiák), de más módon nem indíthatók kalickás forgórészű aszinkron motorral.

Nagyon sok eszközben, berendezésben (pl. ventilátor, folyadék szivattyú, kézi és asztali szerszámgép, betonkeverő, szalagfűrész, ...) használnak 230V-os egyfázisú aszinkron vagy univerzális (soros gerjesztésű kefés) motorokat. Ezeknél a motor hajtásoknál is gyakran felmerül a fordulatszám változtatási igény (vezéreléssel / szabályzóval), vagy nagyobb teljesítmény esetén az indítóáram lecsökkentése, (lágyindítás).

Egyfázisú motorok indítása

Azért, hogy az egyfázisú aszinkronmotorok indítása megoldható legyen, ún. segédfázis tekercselést kell készíteni, és segédfázis áramot a főfázishoz képest 90°-al el kell tolni.

A 90°-os fáziseltolás legkönnyebben a segédfázis áramkörébe iktatott kondenzátorral valósítható meg. A kondenzátoros motorokat és az alkalmazott kondenzátorokat háromféle üzemre lehet méretezni:

  • Indítókondenzátoros motorok, amelyeknél a segédfázissal sorba kapcsolt nagy kapacitású kondenzátort csak az indítás tartamára, az indítónyomaték jelentős növelésére használjuk (tudnunk kell, hogy a segédfázis nincs álladó üzemre méretezve!);
  • Üzemi kondenzátoros motorok, amelyeknél a névleges fordulatszámra optimált kondenzátor állandóan be van kapcsolva;
  • Indító- és üzemi kondenzátoros motorok, amelyeknél az állandó üzemű kondenzátor mellé az indítás idejére párhuzamosan egy további kondenzátort is bekapcsolnak. Ez utóbbi jelentősen megnöveli a motor indítónyomatékát.

A segédfázist működtető kapcsolók a főfázis áramát érzékelő relék, termikus relék, a segédfázis feszültségét érzékelő relék, centrifugál kapcsolók, PTC kapcsolók, vagy kézi működtetésű nyomógombok lehetnek.

Az előbbiekben említett motor típusok fordulatszám változtatásának egyik módszere, amikor csökkentjük a motor kapocsfeszültségét a névlegeshez (~230V) képest.

Mindkét motor típusnál jól látható, hogy feszültség változtatással a motorok indító nyomatéka lecsökken, és terheletlen üresjáratban pedig a fordulatszámuk megnövekszik aszinkron motor esetén a szinkron fordulatra, univerzálisnál a magasabb értékre (akár 10000 rpm fölé is).

Így megállapíthatjuk, hogy ezzel a módszerrel erősen terhelési görbe függő az alkalmazhatóság, és a névleges fordulatszám 50-60%-a alatt csak az instabilitás nagyfokú növekedése mellett tudjuk használni a motorokat.

Egyfázisú aszinkron motoroknál sokkal optimálisabb megoldás, ha a motor fordulatszám változtatásához frekvenciaváltót hasznáunk. Az ábra alapján jól látható az optimálishoz közeli fordulatszám változtatás.

Frekvenciaváltók az ipari automatizálásban

A háromfázisú elektromos motorok fordulatszám-szabályozása és a forgásirány-változtatás igénye gyakorlatilag kezdettől fogva jelen van az ipari automatizálás területén. Az energiahatékonyság és az ebből fakadó költséghatékonyság szempontjai olyan eszközök születéséhez vezettek, melyekkel a fordulatszám lefojtás nélkül csökkenthető, a forgásirány pedig állandó sebességet igénylő folyamatoknál is megváltoztatható.

Azokhoz a folyamatokhoz, ahol számít a sebesség, azaz a váltakozó feszültség növelésére vagy csökkentésére van szükség, speciális villamos eszközöket, frekvenciaváltókat alkalmaznak. A frekvenciaváltók használatának többféle előnye is van, ahogy erről már a cikkünk bevezetőjében is szóltunk.

A forgásirány egy egyszerű parancs segítségével tetszőlegesen változtatható. Szintén mellettük szól a félvezető-technológia és mikroprocesszorok fejlődése, hiszen így az eszközök már sokkal többre képesek.

A fordulatszám változtatásának eszköze lehetne a tápfeszültség frekvenciájának módosítása. A frekvencia csökkentésekor viszont a motorra jutó feszültséget is csökkenteni kell, ellenkező esetben a motor fluxusa túl magas lenne.

A frekvenciaváltók egyik típusát képezik a feszültségvezérelt frekvenciaváltók. Ezekben az eszközökben egy ún. Ezt követően a motorhoz tartozó inverter váltakozó feszültséget kelt az igényelt kimeneti frekvencián.

Terjedőben vannak azonban a szenzorikát nem igénylő vektoros frekvenciaváltók. A fejlettebb készülékben felépített részletes motormodellnek köszönhetően a frekvenciaváltó folyamatosan leképezi magának a motor állapotát, és biztosítja az alapjelnek megfelelő szabályozást. A vektoros szabályozás előnye még a motor túlterhelésével szembeni védelem.

tags: #indító #nyomaték #szabályozás