Ignis Mosógép Robbantott Ábra: Alkatrészek, Hibaelhárítás és Szerelési Tippek

Ez a cikk átfogó útmutatót nyújt az Ignis mosógépekhez, beleértve a robbantott ábrákat, az alkatrészek azonosítását, a gyakori hibák elhárítását és a szerelési tippeket. Legyen szó akár alkatrészcseréről, akár a mosógép működésének megértéséről, itt minden szükséges információt megtalál.

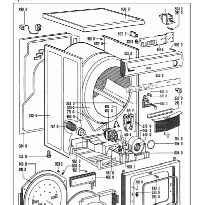
Ignis mosógép robbantott ábra

Alkatrészek kiválasztása és azonosítása

A Whirlpool mosógép alkatrészek kiválasztásánál a pontos típusszám mellett sok esetben a készülék címkéjén szereplő azonosítók (modell- és szériaszám, illetve bizonyos gépeknél a 12 jegyű 12NC kód) segítenek a biztos egyezésben. Rendelés előtt érdemes ellenőrizni ezeket az adatokat (elöltöltős gépnél jellemzően az ajtónyílás peremén, felültöltős gépnél gyakran a fedél alatt található a címke), mert az alkatrészek kivitele modellenként eltérhet.

A kategóriában tipikusan szivattyúk, fűtőelemek, ajtózárak, csapágyak, tömítések és meghajtáshoz kapcsolódó elemek szerepelnek, amelyek hibája gyakran nem ürítésben, fűtési problémában vagy szokatlan zajban jelentkezik.

Fontos: Mindig ellenőrizze a készülék címkéjén található azonosítókat, mielőtt alkatrészt rendel!

Mosógép címkéje

Gyakori hibák és azok elhárítása

Az alábbiakban felsoroljuk a leggyakoribb hibákat és azok lehetséges okait, valamint a javításukhoz szükséges lépéseket:

Suzuki Ignis Alkatrészek

  • Nincs feltöltés: szabadon áramolhat a víz, a csapok nyitva vannak.
  • Nincs hideg vizes töltés: az összekötő csövekben szabadon áramolhat-e a víz.
  • Nincs meleg vizes töltés: és a csövek elfagytak. összekötő csövekben szabadon áramolhat-e a víz.
  • Nincs kevert vizes feltöltés.
  • A vizet nem lehet kiszivattyúzni a gépből, és a rendszer túltöltődött.
  • Túlságosan magas vízszint.
  • Az ajtó nincs megfelelően bezárva.
  • A termisztor ellenállása megváltozott, vagy a mérési szekvencia hibás.
  • Motor-, hajtás hiba történt.
  • A felhasználói nyelv és a mosási program nem került mentésre.
  • Feltöltésnél vagy kiürítésnél időtúllépés.
  • Fűtés időtúllépés.
  • Zárlatos termisztor vagy leürítéskor időtúllépés történt.
  • A kifolyó cső túlságosan alacsony és szifon hatást okoz.
  • Fűtőlemez túlmelegedett.

Hibakódok és jelentésük

Az újabb típusú Whirlpool digitális kijelző nélküli gépeknél (ami percre mutatja hol tart a program) is lehet tudni, hol tart a mosás folyamata. Ezt 5 darab zöld kis lámpácska mutatja a programválasztó gomb felett. Balról jobbra a jelentésük: 1. I. jelű, előmosás, II. 16, 2. 8, 3. 4, 4. 2, 5. 1. Igazából ez egy hexadecimális csökkenő számsor.

Ha világít a kis szerelő kulcs pirosan, akkor a fenti öt lámpácskából is el kezd világítani egy vagy több lámpácska. A világító lámpácskák számait össze kell adni és ez adja hibakód értékét, és ezt kell elmondani a szerelőnek, akit kihív a javítás miatt. Egy példa: balról számolva a 2. és 3. lámpa ég. Ekkor a hibakód 8 + 4 = 12.

Példák a hibakódokra:

  • F01: Szelep hiba (nem vesz vizet /6 perc után).
  • FA: Aquastop aktiv.
  • F03: Nem ürít (vízszintszab. vagy sziv. hiba /6 perc után).
  • F05: NTC (szakadt v.

Részletesebb hibakód lista:

Hibakód Leírás
02 FA: AQUASTOP aktív túltöltés.
04 F04: fűtőbetét hiba 30C-ot nem éri el 40 perc alatt, vagy NTC hiba.
05 F05: NTC hiba (szakadt vagy rövidzár).
06 F06: Tachogenerátor hiba.
07 F07: Motor vezérlés hiba (vezérlő panel).
08 F08: Fűtőbetét hiba (szakadt?, Testzárlat?).
12 F12: Fűtőbetét hiba (szakadt?, Testzárlat?).
13 F13: Ajtó nyitva.
14 F14: EEPROM hiba.
15 F15: Dobpozicionáló jeladó hiba.
18 Fod: Hab érzékelése.
21 F21: Kezelőegység hiba.
23 F23: Vízszintszabályzó hiba (fűtőbetét testzárlat?).
24 F24: Túltöltés.
26 F26: Szivattyú vezérlési hiba (panel.

Motorral kapcsolatos problémák

Motor forgás hiánya, vagy forgás érzékelésének hiánya. Ha nem mozdul meg a motor és úgy jelzi, akkor elsősorban motorköri szakadás pl.: szénkefe fennakadás, elkopás, vagy motorkábel szakadás, csatlakozó kontakt hiba okozza, esetleg elektronika hiba.

Tankbetöltő cső csere Ignisben

Ha forgat, de nagyon meglódul, akkor a tachogenerátor kőkben kell keresni a hibát. Szétesett tachogenerátor, eltört mágnes, vezeték szakadás, sérülés lehet. Ritkán elektronika hiba!

Ha forgat, de normál mosófordulaton, akkor a nagyékszíjtárcsánál lévő jeladó körében lévő meghibásodás okozhatja. esetleg kiesett a helyéről a mágnes.

Minden esetben ellenőrizni kell, hogy MEGBÍZHATÓAN kapcsol-e a reed-relé az ékszijtárcsánál, mert sok esetben a megbízhatatlan működés miatt nem mindíg jelentkezik a hiba!

Mosógép potencialis motor hiba

Elektronika és csatlakozók

Sokszor jól jöhet, ha tudjuk hova mit csatlakoztassunk az elektronikákon. Minden csatlakozó mellett van felirat. Ezek a feliratok utalnak a csatlakozóhozkapcsolódó alkatrészre.

Ezekben a típusokban a víz hőmérsékletét egy NTC - melegítés hatására csökken az ellenállása- érzékelő végzi az érzékelést. Több típus létezik, attól függően, hogy szobahőmérsékleten mekkora az ellenállása. Leggyakrabban a 20 C° környékén~15kΩ és~5kΩ értékűt használják a gyártók.

Megbízható bontott alkatrészek Suzuki Ignishez

Mosógép elektronika

Tesztprogram

AWT . WHIRLPOOL . A programkapcsolót szivattyúzásra állítjuk, majd a program indító gombot 5 másodpercen belül négyszer egymás után megnyomjuk. Ezzel belépünk a tesztprogramba .

Tesztprogram hibakódok:

  • F01: (Mosás+Öbl villog) Nem vesz vizet.
  • F02: (Öbl+End villog) Nem ürít.
  • F03: (Előm+Mosás villog) rendezetlen a ruha.
  • F04: (Előm+End villog) ajtókapcsoló hiba.
  • F05: (Előm+Mosás+Öbl+End villog) termisztor. hiba (szakadt v.

További hibakódok:

  • IE: Szelep hiba (8 perc után még mindíg 24,8 KHz felett).
  • FE: Nem ürít (8').
  • OE: Túltöltés.
  • PE: Vízszintszab. hiba.
  • DE: Ajtókapcsoló 16".
  • TE: NTC hiba (szakadt v.
  • IE: - Nem vesz vizet (4 perc alatt a min.

tags: #Ignis #mosógép #robbantott #ábra